Dodaj produkty podając kody
Dodaj plik CSV
Wpisz kody produktów, które chcesz zbiorczo dodać do koszyka (po przecinku, ze spacją lub od nowej linijki).
Powtórzenie wielokrotnie kodu, doda ten towar tyle razy ile razy występuje.
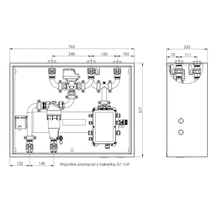
Moduł hydrauliczny do pomp ciepła AMB 900, z grzałką zanurzeniową 9 kW, zaworem przełączającym AZV, separatorem zanieczyszczeń ADS 181, przyłącza G11/4''
Przedstawione na niniejszej stronie internetowej informacje nie stanowią oferty handlowej w rozumieniu art.66 par.1 Kodeksu Cywilnego.
Przetestowany hydraulicznie oraz elektrycznie.
Wyposażony w grzałkę zanurzeniową o mocy 9 kW, która umożliwia dogrzewanie w zależności od zapotrzebowania, po otrzymaniu odpowiedniego sygnału z pompy ciepła.
Przełącza przepływ pomiędzy dwoma strefami: instalacją c.o./buforem lub zasobnikiem c.w.u za pomocą zaworu przełączającego 3-drogowego AZV.
Separuje zanieczyszczenia za pomocą ADS 181.
Zabezpiecza instalację przed wzrostem ciśnienia.
Zawory odcinające na każdym przyłączu przyspieszają prace montażowe oraz konserwacyjne.
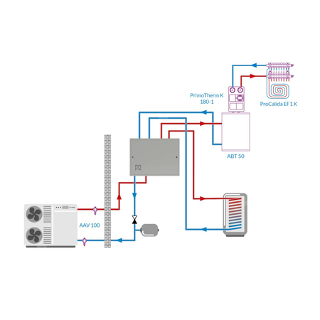
Zastosowanie
Stosowany w instalacjach grzewczych z pompą ciepła typu monoblok.Montowany na ścianie we wnętrzu budynku pomiędzy pompą ciepła, a zasobnikiem c.w.u. i buforem/instalacją.
Odpowiednio dogrzewa i przełącza przepływ na podstawie sygnałów sterujących z pompy ciepła.
Separuje zanieczyszczenia oraz zabezpiecza przed wzrostem ciśnienia.
Zastosowanie
Stosowany w instalacjach grzewczych z pompą ciepła typu monoblok.Montowany na ścianie we wnętrzu budynku pomiędzy pompą ciepła, a zasobnikiem c.w.u. i buforem/instalacją.
Odpowiednio dogrzewa i przełącza przepływ na podstawie sygnałów sterujących z pompy ciepła.
Separuje zanieczyszczenia oraz zabezpiecza przed wzrostem ciśnienia.
Filmy
Marka
Symbol
807690000
Rodzaj towaru
Pompy i grupy pompowe do c.o. i c.w.u.
EAN
5902510012908
Kod producenta
7690000
Długość towaru w centymetrach
67
Wysokość towaru w centymetrach
86
Szerokość towaru w centymetrach
31
Strona www producenta
www.afriso.pl
Zapytaj o produkt
Napisz swoją opinię























