Dodaj produkty podając kody
Dodaj plik CSV
Wpisz kody produktów, które chcesz zbiorczo dodać do koszyka (po przecinku, ze spacją lub od nowej linijki).
Powtórzenie wielokrotnie kodu, doda ten towar tyle razy ile razy występuje.
Przedstawione na niniejszej stronie internetowej informacje nie stanowią oferty handlowej w rozumieniu art.66 par.1 Kodeksu Cywilnego.
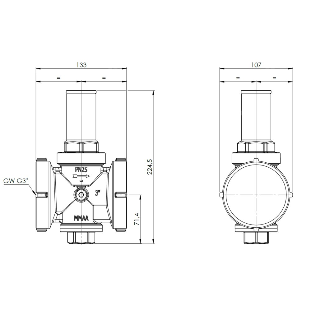
Reduktor fabrycznie ustawiony na ciśnienie wylotowe 3 bar.
Opcjonalny manometr wskazuje ciśnienie za reduktorem i umożliwia kontrolę jego pracy.
Zastosowanie
Stosowany w instalacjach wody pitnej, grzewczych i chłodzących.Montowany na przyłączu wodociągowym za licznikiem wody lub w innym miejscu, gdzie wymagane jest obniżenie ciśnienia.
Obniża i stabilizuje ciśnienie wody do ustawionej wartości niezależnie od zmian ciśnienia na wlocie do reduktora.
Marka
Symbol
809040810
Rodzaj towaru
Armatura regulacyjna
EAN
5902510013943
Kod producenta
9040810
Długość towaru w centymetrach
27
Wysokość towaru w centymetrach
13
Szerokość towaru w centymetrach
35.5
Strona www producenta
www.afriso.pl
Zapytaj o produkt
Napisz swoją opinię
















