Dodaj produkty podając kody
Dodaj plik CSV
				Wpisz kody produktów, które chcesz zbiorczo dodać do koszyka (po przecinku, ze spacją lub od nowej linijki). 
				Powtórzenie wielokrotnie kodu, doda ten towar tyle razy ile razy występuje.
			
Przedstawione na niniejszej stronie internetowej informacje nie stanowią oferty handlowej w rozumieniu art.66 par.1 Kodeksu Cywilnego.
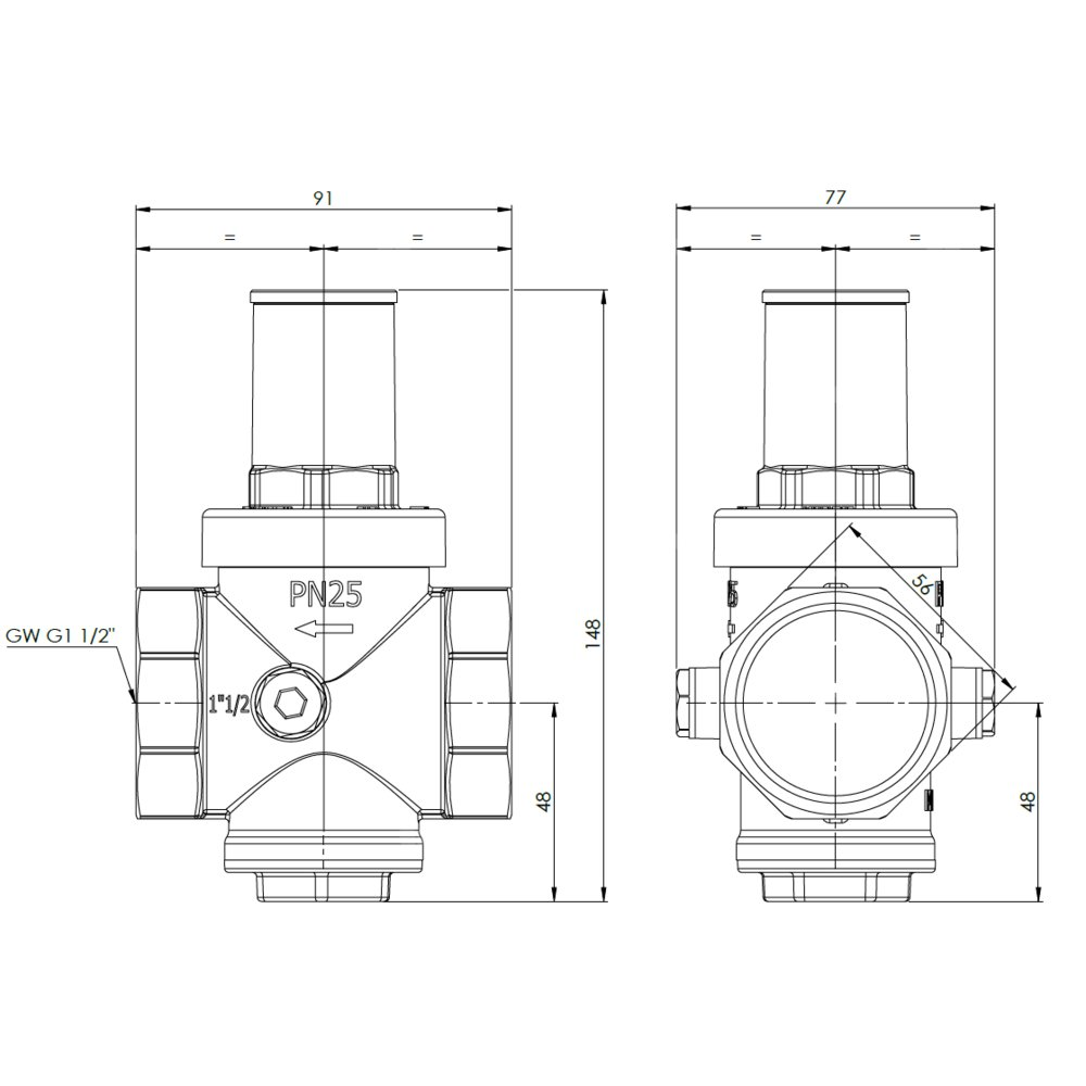
Reduktor fabrycznie ustawiony na ciśnienie wylotowe 3 bar.
Opcjonalny manometr wskazuje ciśnienie za reduktorem i umożliwia kontrolę jego pracy.
Zastosowanie
Stosowany w instalacjach wody pitnej, grzewczych i chłodzących.Montowany na przyłączu wodociągowym za licznikiem wody lub w innym miejscu, gdzie wymagane jest obniżenie ciśnienia.
Obniża i stabilizuje ciśnienie wody do ustawionej wartości niezależnie od zmian ciśnienia na wlocie do reduktora.
Marka
Symbol
809040510
Rodzaj towaru
Armatura regulacyjna
EAN
5902510013912
Kod producenta
9040510
Długość towaru w centymetrach
9
Wysokość towaru w centymetrach
19.5
Szerokość towaru w centymetrach
9
Strona www producenta
www.afriso.pl
Zapytaj o produkt
							Napisz swoją opinię
						



















