Dodaj produkty podając kody
Dodaj plik CSV
Wpisz kody produktów, które chcesz zbiorczo dodać do koszyka (po przecinku, ze spacją lub od nowej linijki).
Powtórzenie wielokrotnie kodu, doda ten towar tyle razy ile razy występuje.
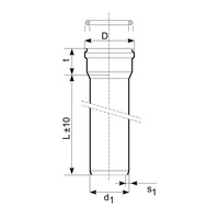
Rura kanalizacyjna zewnętrzna pp-md MAGNAPLAST KG2000 400 x 6000 x 15.3 z kielichem kolor zielony, klasa SN 16
Przedstawione na niniejszej stronie internetowej informacje nie stanowią oferty handlowej w rozumieniu art.66 par.1 Kodeksu Cywilnego.
KG 2000 SN10 i SN16 jest nowoczesnym, wysokowydajnym systemem rur litych przeznaczonym do budowy kanalizacji sanitarnej i deszczowej. Nawet podczas ekstremalnych obciążeń pozostaje szczelny, bezpieczny i ekonomiczny przez co najmniej 100 lat. Może być dostarczany we wszystkich typowych wymiarach od DN 110 do DN 500.
Marka
Symbol
62780990
Rodzaj towaru
Rury do kanalizacji zewnętrznej z PP
EAN
4052836105790
Kod producenta
780990
Grubość ściany [mm]
15.3
Średnica zewnętrzna rury [mm]
400
Z mufą
1
Gatunek materiału
PP-MD
Kolor rury
Zielony
Długość [mm]
6000
Klasa twardośći
SN 16
Strona www producenta
www.magnaplast.pl
Zapytaj o produkt
Napisz swoją opinię




























