Dodaj produkty podając kody
Dodaj plik CSV
Wpisz kody produktów, które chcesz zbiorczo dodać do koszyka (po przecinku, ze spacją lub od nowej linijki).
Powtórzenie wielokrotnie kodu, doda ten towar tyle razy ile razy występuje.
Przedstawione na niniejszej stronie internetowej informacje nie stanowią oferty handlowej w rozumieniu art.66 par.1 Kodeksu Cywilnego.
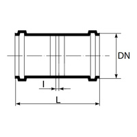
Oferowane przez Magnaplast rury polietylenowe przeznaczone są do budowy podziemnych instalacji wodociągowych rozprowadzających zimną wodę pitną.
Marka
Symbol
6247345
Rodzaj towaru
Rury wodociągowe
EAN
4052836968845
Kod producenta
47345
Strona www producenta
www.magnaplast.pl
Zapytaj o produkt
Napisz swoją opinię
























