Dodaj produkty podając kody
Dodaj plik CSV
				Wpisz kody produktów, które chcesz zbiorczo dodać do koszyka (po przecinku, ze spacją lub od nowej linijki). 
				Powtórzenie wielokrotnie kodu, doda ten towar tyle razy ile razy występuje.
			
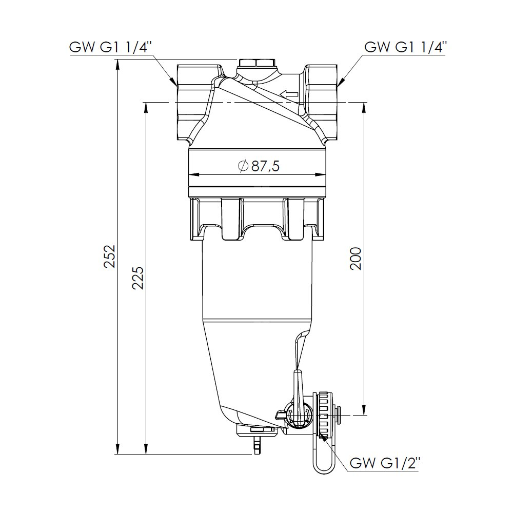
Separator AFRISO ADS 181 HP, do C.O., do klimatyzacji, 3 bar / 90'C, 1 1/4'' (GW), z wkładem magnesowymInstalacje i źródła ciepła
Przedstawione na niniejszej stronie internetowej informacje nie stanowią oferty handlowej w rozumieniu art.66 par.1 Kodeksu Cywilnego.
Wyposażony w siatkę filtracyjną i magnes neodymowy.
Zawór spustowy ułatwia usuwanie zanieczyszczeń.
Korek można zastąpić odpowietrznikiem automatycznym lub ręcznym, w celu usuwania wytrąconego powietrza z instalacji lub ułatwienia czynności konserwacyjnych.
Zastosowanie
Stosowany w instalacjach grzewczych i chłodzących.Montowany przed źródłem ciepła/chłodu na powrocie z instalacji.
Podwójny: mechaniczny i magnetyczny system filtracji chroni instalację oraz źródło przed zanieczyszczeniami.
Filmy
Marka
Symbol
807718100
Rodzaj towaru
Akcesoria do instalacji wodnych
EAN
5902510010539
Kod producenta
7718100
Maksymalna temperatura medium [°C]
90
Do instalacji grzewczych
1
Do instalacji chłodniczych
1
Nominalna średnica wewnętrzna
1 1/4''
Rodzaj połączenia
Gwint wewnętrzny
Maks. ciśnienie robocze [bar]
3
Obszar zastosowania
Instalacje i źródła ciepła
Z magnesem
1
Długość towaru w centymetrach
10.5
Wysokość towaru w centymetrach
18
Szerokość towaru w centymetrach
8
Strona www producenta
www.afriso.pl
Zapytaj o produkt
							Napisz swoją opinię
						




































