Dodaj produkty podając kody
Dodaj plik CSV
Wpisz kody produktów, które chcesz zbiorczo dodać do koszyka (po przecinku, ze spacją lub od nowej linijki).
Powtórzenie wielokrotnie kodu, doda ten towar tyle razy ile razy występuje.
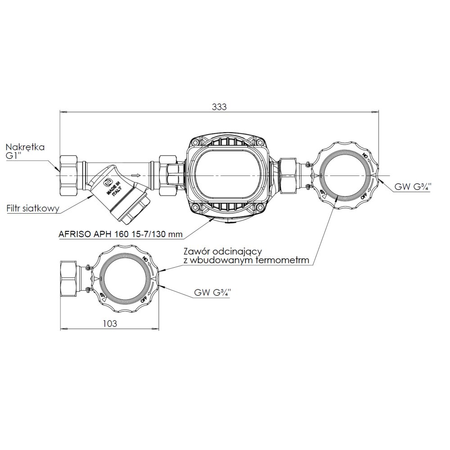
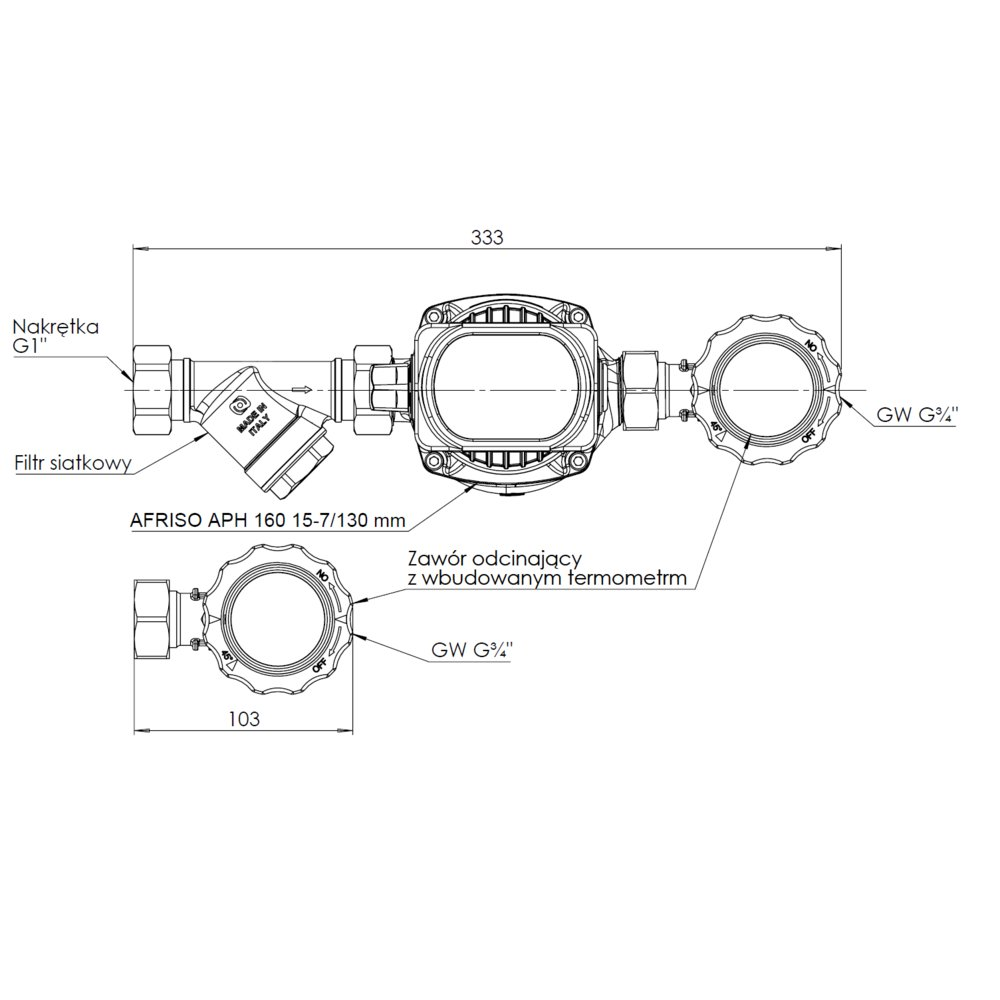
Grupa pompowa AFRISO BPS 990 AP nakrętka x GW 1'' x 3/4'', z pompą obiegową AFRISO APH 160 15-7/130 mm
Przedstawione na niniejszej stronie internetowej informacje nie stanowią oferty handlowej w rozumieniu art.66 par.1 Kodeksu Cywilnego.
Filtr siatkowy chroni pompę przed zanieczyszczeniami.
Zawory odcinające ze zintegrowanymi termometrami do kontroli temperatury medium na każdym przyłączu.
Zawór zwrotny wbudowany w zawór odcinający z niebieskim termometrem.
Tuleje do montażu czujników temperatury na każdym przyłączu.
Możliwość montażu ze źródłem ciepła po prawej i lewej stronie.
Zastosowanie
Stosowana w instalacjach grzewczych i chłodzących.Montowana na rozdzielaczu ze sprzęgłem hydraulicznym BLH 890 lub między źródłem ciepła/chłodu a odbiornikiem.
Tłoczy medium bezpośrednio ze źródła na instalację.
Zastosowanie
Stosowana w instalacjach grzewczych i chłodzących.Montowana na rozdzielaczu ze sprzęgłem hydraulicznym BLH 890 lub między źródłem ciepła/chłodu a odbiornikiem.
Tłoczy medium bezpośrednio ze źródła na instalację.
Marka
Symbol
809099020
Rodzaj towaru
Pompy i grupy pompowe do c.o. i c.w.u.
EAN
5902510010331
Kod producenta
9099020
Wbudowana pompa obiegowa
1
Rodzaj przyłącza głównego
Nakrętka
Średnica nominalna po stronie pierwotnej
1''
Przyłącze obwodu wtórnego
Gwint wewnętrzny
Średnica nominalna po stronie wtórnej
3/4''
Rozmiar przyłącza pompy
3/4 ''
Nazwa/Model pompy
AFRISO APH 160 15-7/130 mm
Długość towaru w centymetrach
17.5
Wysokość towaru w centymetrach
15.5
Szerokość towaru w centymetrach
40
Strona www producenta
www.afriso.pl
Zapytaj o produkt
Napisz swoją opinię




































