Dodaj produkty podając kody
Dodaj plik CSV
Wpisz kody produktów, które chcesz zbiorczo dodać do koszyka (po przecinku, ze spacją lub od nowej linijki).
Powtórzenie wielokrotnie kodu, doda ten towar tyle razy ile razy występuje.
Przedstawione na niniejszej stronie internetowej informacje nie stanowią oferty handlowej w rozumieniu art.66 par.1 Kodeksu Cywilnego.
Do tłoczenia i podwyższania ciśnienia wody użytkowej lub wody lekko zanieczyszczonej w obszarze mieszkalnym i rolniczym oraz w innych obszarach.
Zapatrzenie w wodę ze studni, cystern, innych miejskich systemów zaopatrzenia w wodę, miejskiej sieci wodociągowej itd. w celu nawadniania, zraszania, podwyższania ciśnienia itd.
Dwubiegunowy silnik jednofazowy z dławikiem przewodu, kondensatorem w skrzynce przyłączowej, wyłącznikiem zabezpieczenia silnika z automatycznym ponownym włączeniem, zabezpieczeniem przed brakiem wody.
Zakres dostawy
*Pompa
*Układ sterowania pompą HiControl 1
*Dwie złączki z tworzywa sztucznego z uszczelkami do ręcznego podłączania do rur doprowadzających
*Przewód z szybkozłączem elektrycznym
*Instrukcja montażu i obsługi
Materiały
*Wał: Stal nierdzewna
*Uszczelnienie wału: BVPFF
*Materiał uszczelnienia:
*Materiał komora stopniowa:
Dane eksploatacyjne
*Min. temperatura przetłaczanej cieczy: 0 oC
*Maks. temperatura przetłaczanej cieczy: 40 oC
*Maks. ciśnienie robocze: 8 bar
*Przyłącze ciśnieniowe: G 1
*Maks. temperatura otoczenia: 40 oC
Dane silnika
*Przyłącze sieciowe:
*Tolerancja napięcia:
*Znamionowa moc silnika: 400
*Prąd znamionowy: 3 A
*Znamionowa prędkość obrotowa: 2900 Obroty / min
*Klasa izolacji: F
*Stopień ochrony:
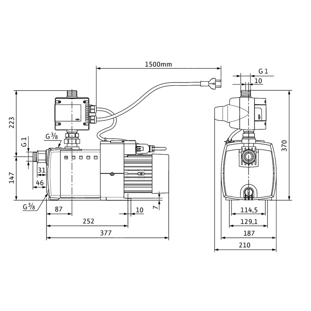
Wymiary montażowe
*Przyłącze gwintowane po stronie ssawnej: G 1
*Przyłącze gwintowane po stronie tłocznej: G 1
Informacje na temat umiejscowienia zamówień
*Masa netto ok.: 12,8 kg
*Produkt:
*Nazwa produktu: HiMulti 3 C 1-24 P
*Numer artykułu: 2543599
Marka
Kod IK
Symbol
812543599
Rodzaj towaru
Pompy do wody użytkowej
EAN
4048482503554
Kod producenta
2543599
Prąd znamionowy [A]
2.7
Moc oddawana silnika (P2) [kW]
0.4
Prędkość obrotowa [obr/min]
2900
Wysokość pompy [mm]
147
Częstotliwość
50 Hz
Klasa izolacji wg IEC
F
Stopień ochrony (IP)
Inne
Liczba faz
1
Zakres napięcia znamionowego [V]
230
Maks. ciśnienie robocze [bar]
8
Średnia temperatura (praca ciągła) [°C]
40
Średnica zewnętrzna przyłącza od strony wlotowej [mm]
25
Średnica zewnętrzna przyłącza od strony wylotowej [mm]
25
Maks. wydajność (maks. przepływ) [m³/h]
4.5
Maks. wysokość podnoszenia [m]
36.78
Materiał korpusu pompy
Inne
Gatunek materiału korpusu pompy
Inne
Materiał wirnika
Polipropylen
Gatunek materiału wirnika
PP-GF
Materiał połączenia
Inne
Gatunek materiału połączenia
Inne
Przyłącze od strony wlotowej
Gwint zewnętrzny gazowy walcowy
Średnica nominalna przyłącza od strony wlotowej
1 cal
Klasa ciśnienia kołnierza przyłącza wlotowego
PN 7
Rodzaj przyłącza wlotowego
ISO 228-1
Przyłącze po stronie wylotowej
Gwint zewnętrzny gazowy walcowy
Średnica nominalna przyłącza od strony wylotowej
1 cal
Klasa ciśnienia kołnierza przyłącza wylotowego
PN 7
Rodzaj przyłącza wylotowego
ISO 228-1
Kształt końcówki
Inne
Długość towaru w centymetrach
30
Wysokość towaru w centymetrach
50
Szerokość towaru w centymetrach
48
Strona www producenta
www.wilo.pl
Zapytaj o produkt
Napisz swoją opinię














