Dodaj produkty podając kody
Dodaj plik CSV
Wpisz kody produktów, które chcesz zbiorczo dodać do koszyka (po przecinku, ze spacją lub od nowej linijki).
Powtórzenie wielokrotnie kodu, doda ten towar tyle razy ile razy występuje.
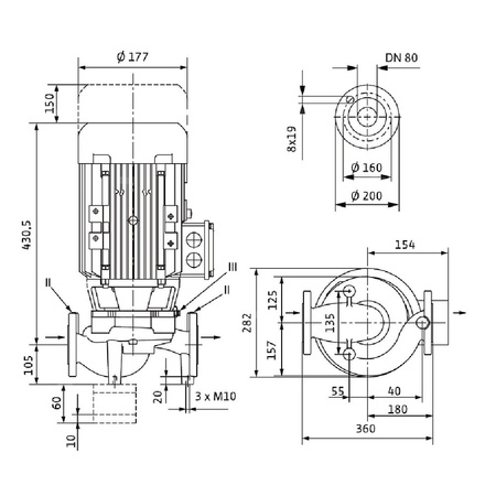
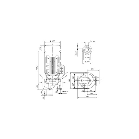
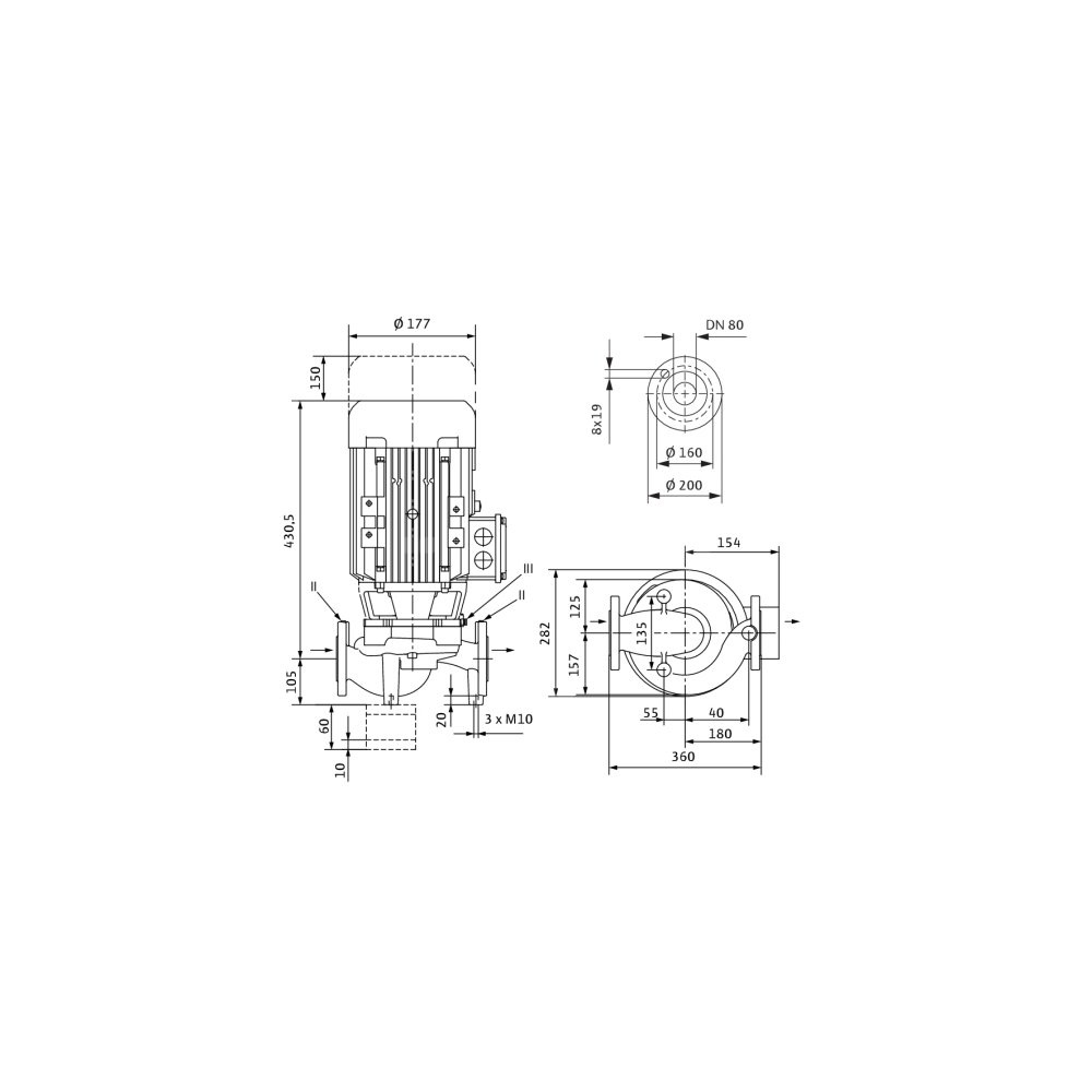
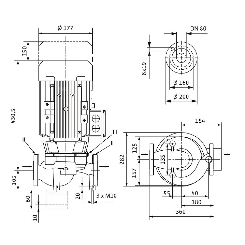
Pompa obiegowa WILO VeroLine-IPL 80/140-1,1/4-IE3 typu in-line z silnikiem znormalizowanym 50 Hz, moc silnika 1.1kW 2.25 A 1450 obr/min, wlot Kołnierz DN 80
Przedstawione na niniejszej stronie internetowej informacje nie stanowią oferty handlowej w rozumieniu art.66 par.1 Kodeksu Cywilnego.
Przyłącza kołnierzowe z przyłączami pomiarowymi ciśnienia R 1/8. Korpus pompy i latarnia z powłoką kataforetyczną.
Dane eksploatacyjne
*temperatura przetłaczanej cieczy: -20 oC
*temperatura otoczenia: -15 oC
*Maks. ciśnienie robocze: 10 bar
*Wskaźnik minimalnej energochłonności (MEI): 0,4
Dane silnika
*Klasa sprawności energetycznej silnika:
*Przyłącze sieciowe:
*Tolerancja napięcia:
*Moc znamionowa : 1100
*Znamionowa prędkość obrotowa: 1450 Obroty / min
*Prąd znamionowy: 2,25 A
*Współczynnik mocy: 0,83
*Sprawność silnika ηm 50 %: 83,3
*Sprawność silnika ηm 75 %: 84,7
*Sprawność silnika ηm 100 %: 84,1
*Klasa izolacji: F
*Stopień ochrony:
Materiały
*Korpus pompy: EN-GJL-250
*Wirnik:
*Wał: Stal nierdzewna
*Uszczelnienie wału: AQ1EGG
*Latarnia: EN-GJL-250
Wymiary montażowe
*Przyłącze gwintowane po stronie ssawnej: DN 80
*Przyłącze gwintowane po stronie tłocznej: DN 80
*Długość montażowa: 360 mm
Informacje na temat umiejscowienia zamówień
*Produkt:
*Nazwa produktu: VeroLine-IPL 80/140-1,1/4
*Masa netto ok.: 42,33 kg
*Numer artykułu: 2121191
Marka
Kod IK
Symbol
812121191
Rodzaj towaru
Pompy do wody użytkowej
EAN
4048482214627
Kod producenta
2121191
Prąd znamionowy [A]
2.25
Długość wbudowania [mm]
360
Moc oddawana silnika (P2) [kW]
1.1
Prędkość obrotowa [obr/min]
1450
Częstotliwość
50 Hz
Stopień ochrony (IP)
IP55
Klasa izolacji wg IEC
F
Liczba faz
3
Zakres napięcia znamionowego [V]
400
Maks. ciśnienie robocze [bar]
10
Średnica zewnętrzna przyłącza od strony wylotowej [mm]
80
Maks. wydajność (maks. przepływ) [m³/h]
75
Maks. wysokość podnoszenia [m]
7.003
Przepływ nominalny (BEP) [m³/h]
49.91
Wysokość podnoszenia przy przepływie nominalnym (BEP) [kPa]
54.59
Wskaźnik minimalnej sprawności (MEI)
0.4
Silnik standardowy
1
Materiał korpusu pompy
Żeliwo
Gatunek materiału korpusu pompy
Żeliwo GG 25
Materiał wirnika
Polipropylen
Gatunek materiału wirnika
PP-GF
Przyłącze od strony wlotowej
Kołnierz
Średnica nominalna przyłącza od strony wlotowej
DN 80
Klasa ciśnienia kołnierza przyłącza wlotowego
PN 10
Rodzaj przyłącza wlotowego
EN 1092-2
Przyłącze po stronie wylotowej
Kołnierz
Średnica nominalna przyłącza od strony wylotowej
DN 80
Klasa ciśnienia kołnierza przyłącza wylotowego
PN 10
Rodzaj przyłącza wylotowego
EN 1092-2
Kształt końcówki
Okrągły
Klasa efektywności energetycznej silnika
IE3
Długość towaru w centymetrach
38
Wysokość towaru w centymetrach
45
Szerokość towaru w centymetrach
78
Strona www producenta
www.wilo.pl
Zapytaj o produkt
Napisz swoją opinię














