Dodaj produkty podając kody
Dodaj plik CSV
Wpisz kody produktów, które chcesz zbiorczo dodać do koszyka (po przecinku, ze spacją lub od nowej linijki).
Powtórzenie wielokrotnie kodu, doda ten towar tyle razy ile razy występuje.
Pompa obiegowa WILO VeroLine-IP-Z 25/6 DM typu in-line z silnikiem znormalizowanym 50 Hz, moc silnika 0.12kW 0.7 A 2670 obr/min, wlot GZGW 1 1/2''
Przedstawione na niniejszej stronie internetowej informacje nie stanowią oferty handlowej w rozumieniu art.66 par.1 Kodeksu Cywilnego.
Do napięcia zasilanie 1 ~ 230 V, 50 Hz lub 3 ~ 400 V, 50 Hz
Uszczelnienie mechaniczne z wymuszonym opływem
Dane eksploatacyjne
*temperatura przetłaczanej cieczy: 0 oC
*temperatura otoczenia: -15 oC
*Maks. ciśnienie robocze: 10 bar
Dane silnika
*Klasa sprawności energetycznej silnika:
*Przyłącze sieciowe:
*Tolerancja napięcia:
*Moc znamionowa : 120
*Znamionowa prędkość obrotowa: 2670 Obroty / min
*Prąd znamionowy: 0,7 A
*Współczynnik mocy: 0,8
*Sprawność silnika ηm 50 %: 51
*Sprawność silnika ηm 75 %: 57,6
*Sprawność silnika ηm 100 %: 59
*Klasa izolacji: F
*Stopień ochrony:
Materiały
*Korpus pompy: Stal nierdzewna
*Wirnik:
*Wał: Stal nierdzewna
*Uszczelnienie wału: BQ1EGG
*Latarnia: Stal nierdzewna
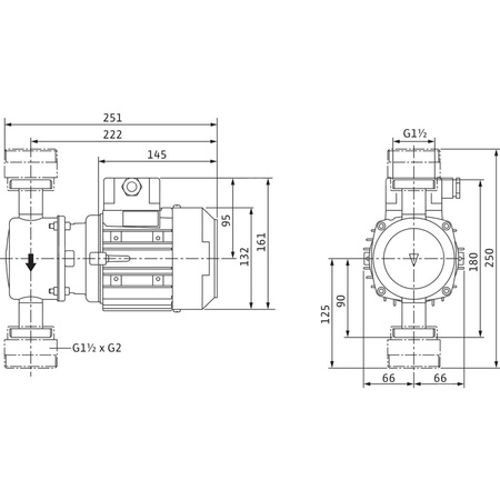
Wymiary montażowe
*Przyłącze gwintowane po stronie ssawnej: G 11/2
*Przyłącze gwintowane po stronie tłocznej: G 11/2
*Długość montażowa: 180 mm
Informacje na temat umiejscowienia zamówień
*Produkt:
*Nazwa produktu: VeroLine-IP-Z 25/6 DM
*Masa netto ok.: 5 kg
*Numer artykułu: 4090294
Marka
Kod IK
Symbol
814090294
Rodzaj towaru
Pompy do wody użytkowej
EAN
4016322768760
Kod producenta
4090294
Prąd znamionowy [A]
0.7
Moc oddawana silnika (P2) [kW]
0.12
Prędkość obrotowa [obr/min]
2670
Częstotliwość
50 Hz
Stopień ochrony (IP)
IP54
Klasa izolacji wg IEC
F
Liczba faz
3
Zakres napięcia znamionowego [V]
400
Maks. ciśnienie robocze [bar]
10
Średnica zewnętrzna przyłącza od strony wylotowej [mm]
40
Maks. wydajność (maks. przepływ) [m³/h]
5.66
Maks. wysokość podnoszenia [m]
6.032
Przepływ nominalny (BEP) [m³/h]
3.185
Wysokość podnoszenia przy przepływie nominalnym (BEP) [kPa]
44.51
Silnik standardowy
1
Materiał korpusu pompy
Stal nierdzewna
Gatunek materiału korpusu pompy
Stal nierdzewna 304 L
Materiał wirnika
Polipropylen
Gatunek materiału wirnika
PP-GF
Przyłącze od strony wlotowej
Gwint zewnętrzny gazowy walcowy
Średnica nominalna przyłącza od strony wlotowej
1 1/2''
Klasa ciśnienia kołnierza przyłącza wlotowego
PN 10
Rodzaj przyłącza wlotowego
ISO 228-1
Przyłącze po stronie wylotowej
Gwint zewnętrzny gazowy walcowy
Średnica nominalna przyłącza od strony wylotowej
1 1/2 cala
Klasa ciśnienia kołnierza przyłącza wylotowego
PN 10
Rodzaj przyłącza wylotowego
ISO 228-1
Kształt końcówki
Okrągły
Klasa efektywności energetycznej silnika
IE3
Długość towaru w centymetrach
18.1
Wysokość towaru w centymetrach
15.5
Szerokość towaru w centymetrach
26.1
Strona www producenta
www.wilo.pl
Zapytaj o produkt
Napisz swoją opinię














