Dodaj produkty podając kody
Dodaj plik CSV
Wpisz kody produktów, które chcesz zbiorczo dodać do koszyka (po przecinku, ze spacją lub od nowej linijki).
Powtórzenie wielokrotnie kodu, doda ten towar tyle razy ile razy występuje.
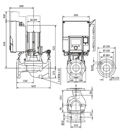
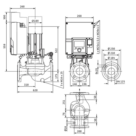
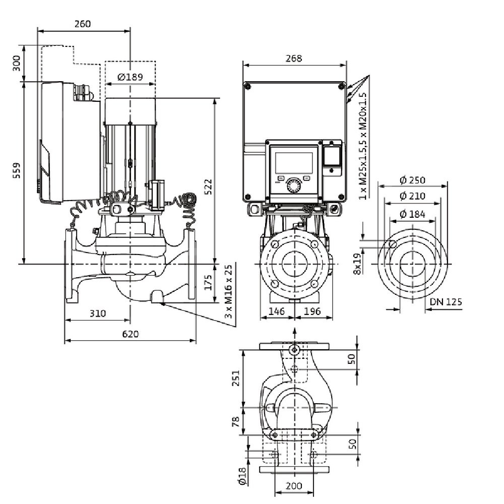
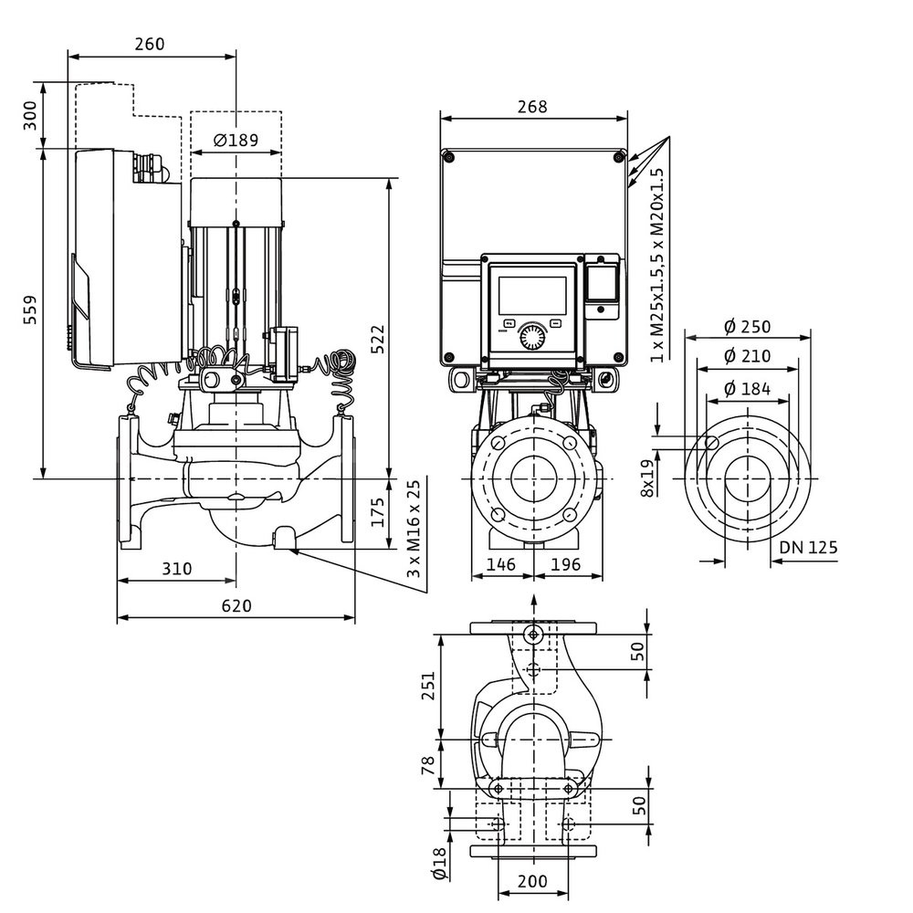
Pompa obiegowa WILO Stratos GIGA 2.0-I 125/1-9/3,0-R1-S1 typu in-line z silnikiem znormalizowanym 50/60 Hz, moc silnika 2.7kW 4.5 A 1470 obr/min, wlot Kołnierz DN 125
Przedstawione na niniejszej stronie internetowej informacje nie stanowią oferty handlowej w rozumieniu art.66 par.1 Kodeksu Cywilnego.
Marka
Kod IK
Symbol
812204966
Rodzaj towaru
Pompy do wody użytkowej
EAN
4062679018638
Kod producenta
2204966
Prąd znamionowy [A]
4.5
Długość wbudowania [mm]
620
Moc oddawana silnika (P2) [kW]
2.7
Prędkość obrotowa [obr/min]
1470
Pobór mocy przez pompę (solpump) [W]
2900
Częstotliwość
50/60 Hz
Stopień ochrony (IP)
IP55
Klasa izolacji wg IEC
F
Liczba faz
3
Temperatura otoczenia [°C]
50
Zakres napięcia znamionowego [V]
400
Maks. ciśnienie robocze [bar]
16
Pobór mocy silnika (P1) [kW]
2.9
Średnica zewnętrzna przyłącza od strony wylotowej [mm]
125
Maks. wydajność (maks. przepływ) [m³/h]
2667
Maks. wysokość podnoszenia [m]
9
Przepływ nominalny (BEP) [m³/h]
2179
Wysokość podnoszenia przy przepływie nominalnym (BEP) [kPa]
60.12
Wskaźnik minimalnej sprawności (MEI)
0.7
Materiał korpusu pompy
Żeliwo
Gatunek materiału korpusu pompy
Żeliwo GG 25
Materiał wirnika
Żeliwo
Gatunek materiału wirnika
Żeliwo GG 20
Układ komunikacji
Przygotowany
Przyłącze od strony wlotowej
Kołnierz
Średnica nominalna przyłącza od strony wlotowej
DN 125
Klasa ciśnienia kołnierza przyłącza wlotowego
PN 16
Rodzaj przyłącza wlotowego
EN 1092-2
Przyłącze po stronie wylotowej
Kołnierz
Średnica nominalna przyłącza od strony wylotowej
DN 125
Klasa ciśnienia kołnierza przyłącza wylotowego
PN 16
Rodzaj przyłącza wylotowego
EN 1092-2
Kształt końcówki
Okrągły
Klasa efektywności energetycznej silnika
IE5
Strona www producenta
www.wilo.pl
Zapytaj o produkt
Napisz swoją opinię














