Dodaj produkty podając kody
Dodaj plik CSV
Wpisz kody produktów, które chcesz zbiorczo dodać do koszyka (po przecinku, ze spacją lub od nowej linijki).
Powtórzenie wielokrotnie kodu, doda ten towar tyle razy ile razy występuje.
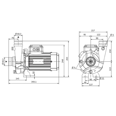
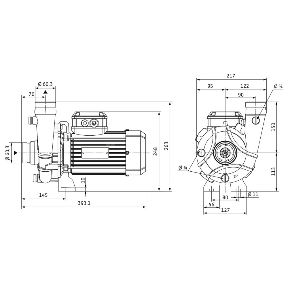
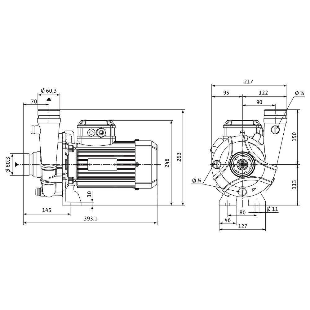
Pompa obiegowa WILO BAC 50-116-1.5/2 typu in-line z silnikiem znormalizowanym 50 Hz, moc silnika 1.5kW 3.22 A 2855 obr/min
Przedstawione na niniejszej stronie internetowej informacje nie stanowią oferty handlowej w rozumieniu art.66 par.1 Kodeksu Cywilnego.
Jednostopniowa dławnicowa pompa wirowa o konstrukcji blokowej do zastosowania w instalacjach wentylacyjnych i klimatyzacyjnych. Odporna na drgania i zwarta konstrukcja zapewniająca cichą pracę, z zamocowanym bezpośrednio na kołnierzu silnikiem trójfazowym i wałem niedzielonym. Z niezależnym od kierunku obrotów mieszkowym uszczelnieniem mechanicznym oraz wirnikiem redukującym kawitację. Korpus pompy z przyłączem Victaulic zapewnia łatwy montaż.
Zapytaj o produkt
Napisz swoją opinię














