Dodaj produkty podając kody
Dodaj plik CSV
				Wpisz kody produktów, które chcesz zbiorczo dodać do koszyka (po przecinku, ze spacją lub od nowej linijki). 
				Powtórzenie wielokrotnie kodu, doda ten towar tyle razy ile razy występuje.
			
Przedstawione na niniejszej stronie internetowej informacje nie stanowią oferty handlowej w rozumieniu art.66 par.1 Kodeksu Cywilnego.
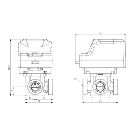
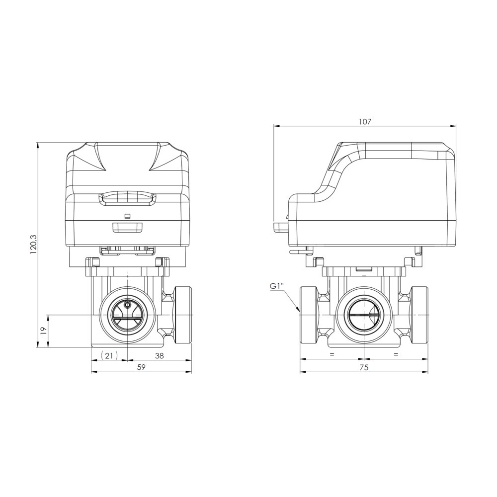
- Wskaźnik przepływu umieszczony pod siłownikiem przedstawia aktualne położenie zawieradła.
- Odpinana wtyczka ułatwia pracę konserwacyjne.
- Sterowany sygnałem 2-punktowym (SPST).
- Czas przełączenia – 15 s.
Zastosowanie
- Stosowany w instalacjach grzewczych i chłodzących.- Montowany w celu przełączenia przepływu pomiędzy danymi częściami instalacji.
- W połączeniu ze sterownikiem lub termostatem automatyzuje pracę instalacji.
Zastosowanie
- Stosowany w instalacjach grzewczych i chłodzących.- Montowany w celu przełączenia przepływu pomiędzy danymi częściami instalacji.
- W połączeniu ze sterownikiem lub termostatem automatyzuje pracę instalacji.
Marka
Symbol
801664710
Rodzaj towaru
Zawory do wody
EAN
5902510011826
Kod producenta
1664710
Długość towaru w centymetrach
11.4
Wysokość towaru w centymetrach
15
Szerokość towaru w centymetrach
9.8
Strona www producenta
www.afriso.pl
Zapytaj o produkt
							Napisz swoją opinię
						























